Practice NEET Physics Electricity MCQs Set 01 provided below. The MCQ Questions for NEET Electricity Physics with answers and follow the latest NEET/ NCERT and KVS patterns. Refer to more Chapter-wise MCQs for NEET NEET Physics and also download more latest study material for all subjects
MCQ for NEET Physics Electricity
NEET Physics students should review the 50 questions and answers to strengthen understanding of core concepts in Electricity
Electricity MCQ Questions NEET Physics with Answers
Question. The space around a charge in which its effect can be felt is called its
(a) potential
(b) field
(c) field intensity
(d) potential difference.
Answer: B
Question. The force acting on a unit positive test charge at a point inside an electric field is called
(a) potential
(b) field
(c) field intensity
(d) potential difference.
Answer: C
Question. Work done is moving a unit positive test charge from one point to other inside an electric field, is called
(a) potential
(b) field
(c) field intensity
(d) potential difference
Answer: D
Question. Electricity constituted by moving electric charges, is called
(a) positive electricity
(b) negative electricity
(c) current electricity
(d) static electricity.
Answer: C
Question. The condition for an electric charge to flow from one point to other is that the two points must have electric
(a) circuit
(b) current
(c) potential difference
(d) cell.
Answer: C
Question. The device which measures electric potential difference between two points is called
(a) ammeter
(b) voltmeter
(c) manometer
(d) water meter
Answer: B
Question. The device which measures electric current through a conductor is called
(a) ammeter
(b) voltmeter
(c) manometer
(d) water meter.
Answer: A
Question. With increase in temperature, resistance of a conductor
(a) decreases
(b) increases
(c) may decreases or increase according to the situation
(d) no particular observation.
Answer: B
Question. Central part of an atom is called
(a) molecule
(b) proton
(c) ion
(d) nucleus.
Answer: D
Question. In an atom, particle having a negative charge, is called
(a) neutron
(b) proton
(c) electron
(d) ion.
Answer: C
Question. A body gets positively charged by losing
(a) neutrons
(b) protons
(c) electrons
(d) α-particles.
Answer: C
Question. A body gets negatively charged by gaining
(a) neutrons
(b) protons
(c) electrons
(d) α-particles.
Answer: C
Question. Time rate of work done or electrical energy developed or consumed by a generator or appliance, is called electrical
(a) current
(b) power
(c) potential
(d) energy.
Answer: B
Question. The unit of electrical power is
(a) watt (W)
(b) ampere (a)
(c) joule (J)
(d) ohm (Ω)
Answer: A
Question. In series combination of electrical appliances, total electrical power
(a) increases
(b) decreases
(c) may increase or decrease according to the situation
(d) no definite observation.
Answer: B
Question. In parallel combination of electrical appliances, total electrical power
(a) increases
(b) decreases
(c) may increase or decrease according to the situation
(d) no definite observation.
Answer: A
Question. The correct relation between heat produced (H) and electric current (I) flowing
(a) H ∝ I
(b) H ∝ 1/I
(c) H ∝ I2
(d) H ∝ 1/I2.
Answer: C
Question. In Q. 42, the relation between H and I is called
(a) Newton's law
(b) Faraday's law
(c) Ohm's law
(d) Joule's law.
Answer: A
Question. In electric heating appliances the material of the heating element is
(a) brass
(b) nichrome
(c) silver
(d) copper.
Answer: B
Question. In domestic electric circuits, the cheapest appliance used is
(a) fuse
(b) bulb
(c) fan
(d) television.
Answer: A
Question. An ammeter has 20 divisions between mark 0 and mark 2 on its scale. The least count of the ammeter is
(a) 0.02 A
(b) 0.01 A
(c) 0.2 A
(d) 0.1 A.
Answer: C
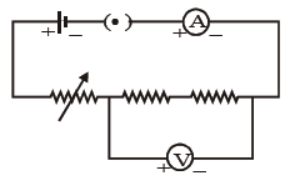
Question. To determine the equivalent resistance of two resistors when connected in series, a student arranged the circuit components as shown in the diagram. But he did not succeed to achieve the objective.
Which of the following mistake has been committed by him in setting up the circuit?
(a) Position of ammeter is incorrect
(b) Position of voltmeter is incorrect
(c) Terminals of voltmeter are wrongly connected
(d) Terminals of ammeter are wrongly connected.
Answer: A
Question. In a voltmeter there are 20 divisions between 0 mark and 0.5 mark. The least count of the voltmeter is
(a) 0.020 V
(b) 0.025 V
(c) 0.050 V
(d) 0.250 V
Answer: B
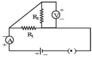
Question. Which of the circuit components in the following circuit diagram are connected in parallel ?
(a) R1 and R2 only
(b) R2 and V only
(c) R1 and V only
(d) R1, R2 and V only.
Answer: D
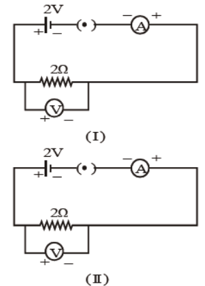
Question. For the circuit diagram shown in figures I and II voltmeter reading would be
(a) 2 V in circuit (I) and 0 V in circuit (II)
(b) 0 V in both circuits
(c) 2 V in both circuits
(d) 0 V in circuit (I) and 2 V in circuit (II).
Answer: D
Question. The following instruments are available in a laboratory
milliammeter A1 of least count 10 mA and range 0-300 mA
milliammeter A2 of least count 20 mA and range 0-200 mA
voltmeter V1 of least count 0.2 V and range 0-5 V
voltmeter V2 of least count 0.3 V and range 0-3 V.
Out of the following pairs of instruments which pair would be the best choice for carrying out the experiment to determine the equivalent resistance of two resistors connected in series ?
(a) milliammeter A1 and voltmeter V2
(b) milliammeter A2 and voltmeter V1
(c) milliammeter A1 and voltmeter V1
(d) milliammeter A2 and voltmeter V2
Answer: C
| Transformer and LC Oscillations MCQs Set 1 |
| Alternating Current Voltage and Power MCQs Set 1 |
| Alternating Current MCQs Set 1 |
| AC Circuit LCR Circuit Quality and Power Factor MCQs Set 1 |
| Atom and Nucleus MCQs |
| Bohrs Model and the Spectra of the Hydrogen Atom MCQs Set 1 |
| Atomic Structure and Rutherfords Nuclear Model MCQs Set 1 |
| Atom MCQs Set 1 |
| Communication System MCQs |
| Communication System MCQs Set 1 |
| Digital Electronics and Logic Gates MCQs |
| Electromagnetic Induction MCQs |
| Motional and Static EMI Applications of EMI MCQs Set 1 |
| Magnetic Flux Faradays and Lenzs Law MCQs Set 1 |
| Electromagnetic Induction MCQs |
| Electromagnetic Waves MCQs |
| Electromagnetic Waves MCQs |
| Electromagnetic Waves Conduction and Displacement Current MCQs |
| Electromagnetic Spectrum MCQs |
| Experiments MCQs |
| Kinematics MCQs Set 5 |
| Kinematics MCQs Set 4 |
| Kinematics MCQs Set 3 |
| Kinematics MCQs Set 2 |
| Kinetic Theory of Gases MCQs |
| Kinetics and Measurement MCQs |
| Magnetic Effects of Electric Current MCQs |
| Magnetism and Matter MCQs Set 1 |
| Magnetic Equipments MCQs Set 1 |
| Magnet and Its Properties and Magnetic Moment MCQs Set 1 |
| Earths Magnetism Magnetic Materials and their Properties MCQs Set 1 |
| Radioactivity MCQs Set 1 |
| Optical Instruments MCQs Set 1 |
| Nuclei MCQs Set 1 |
| Mass Energy Equivalence and Nuclear Reactions MCQs Set 1 |
| Composition and Size of Nuclei MCQs Set 1 |
| Semiconductor Electronics MCQs |
| Semiconductor Electronics MCQs Set 1 |
| Semiconductor and P N Junction Diode MCQs Set 1 |
| Junction Transistor MCQs Set 1 |
| Thermometer and Thermal Expansion MCQs Set 1 |
| Thermal Properties of Matter MCQs Set 1 |
| Newtons Law of Cooling MCQs Set 1 |
| Calorimetry and Heat Transfer MCQs Set 1 |
MCQs for Electricity Physics NEET
Students can use these MCQs for Electricity to quickly test their knowledge of the chapter. These multiple-choice questions have been designed as per the latest syllabus for NEET Physics released by NEET. Our expert teachers suggest that you should practice daily and solving these objective questions of Electricity to understand the important concepts and better marks in your school tests.
Electricity NCERT Based Objective Questions
Our expert teachers have designed these Physics MCQs based on the official NCERT book for NEET. We have identified all questions from the most important topics that are always asked in exams. After solving these, please compare your choices with our provided answers. For better understanding of Electricity, you should also refer to our NCERT solutions for NEET Physics created by our team.
Online Practice and Revision for Electricity Physics
To prepare for your exams you should also take the NEET Physics MCQ Test for this chapter on our website. This will help you improve your speed and accuracy and its also free for you. Regular revision of these Physics topics will make you an expert in all important chapters of your course.
FAQs
You can get most exhaustive NEET Physics Electricity MCQs Set 01 for free on StudiesToday.com. These MCQs for NEET Physics are updated for the 2026-27 academic session as per NEET examination standards.
Yes, our NEET Physics Electricity MCQs Set 01 include the latest type of questions, such as Assertion-Reasoning and Case-based MCQs. 50% of the NEET paper is now competency-based.
By solving our NEET Physics Electricity MCQs Set 01, NEET students can improve their accuracy and speed which is important as objective questions provide a chance to secure 100% marks in the Physics.
Yes, Physics MCQs for NEET have answer key and brief explanations to help students understand logic behind the correct option as its important for 2026 competency-focused NEET exams.
Yes, you can also access online interactive tests for NEET Physics Electricity MCQs Set 01 on StudiesToday.com as they provide instant answers and score to help you track your progress in Physics.