CBSE Class 12 Engineering Graphics Assembly Drawing Worksheet Set 02

Access the latest CBSE Class 12 Engineering Graphics Assembly Drawing Worksheet Set 02. We have provided free printable Class 12 Engineering Drawing worksheets in PDF format, specifically designed for Assembly Drawing. These practice sets are prepared by expert teachers following the 2025-26 syllabus and exam patterns issued by CBSE, NCERT, and KVS.

Assembly Drawing Engineering Drawing Practice Worksheet for Class 12

Students should use these Class 12 Engineering Drawing chapter-wise worksheets for daily practice to improve their conceptual understanding. This detailed test papers include important questions and solutions for Assembly Drawing, to help you prepare for school tests and final examination. Regular practice of these Class 12 Engineering Drawing questions will help improve your problem-solving speed and exam accuracy for the 2026 session.

Download Class 12 Engineering Drawing Assembly Drawing Worksheet PDF

Assembly Drawing 
 
1. Assemble the body and the bush and draw the following views to a scale 1:1.
• Front view showing left half in section.
• Top view. Print titles of both and scale used. Draw the projection symbol. Give 8 Important dimensions.

CBSE Class 12 Engineering Graphics Assembly Drawing Worksheet Set B 1

2. Assemble the body and the bush and draw the following views to a scale 1:1.
• Front view showing right half in section.
• Top view. Print titles of both and scale used. Draw the projection symbol. Give 8 Important dimensions
CBSE Class 12 Engineering Graphics Assembly Drawing Worksheet Set B 2
 
3. Figure given below shows the parts of a Sleeve and Cotter Joint. Assemble the parts correctly and then draw the following views to a scale 1 : 1
(a) Front view, upper half in section.
(b) Side view, viewing from the left.
Print title and scale used. Draw the projection symbol. Give '8' important dimensions.

CBSE Class 12 Engineering Graphics Assembly Drawing Worksheet Set B 3

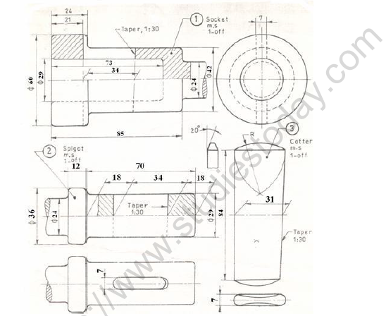
4. The details of a socket and spigot joint are shown in figure. Assemble these parts correctly and then draw its following views to scale full size.
(a) Front view upper half in section.
(b) Side view, as viewed from right.
Print heading and scale used. Draw projection symbol. Give six important dimensions

CBSE Class 12 Engineering Graphics Assembly Drawing Worksheet Set B 4

5. The figure shows the detail drawings of different parts of a Gib and Cotter Joint for joining two square rods.
Assemble all the parts correctly and draw the following views to scale 1:1
(a) Front view, upper half in section.
(b) Side view, viewing from the left hand side.
(c) Print title, scale used and draw the projection symbol. Give '6' important dimensions.

CBSE Class 12 Engineering Graphics Assembly Drawing Worksheet Set B 5


Please click on below link to download CBSE Class 12 Engineering Graphics Assembly Drawing Worksheet Set B

Assembly Drawing CBSE Class 12 Engineering Drawing Worksheet

Students can use the Assembly Drawing practice sheet provided above to prepare for their upcoming school tests. This solved questions and answers follow the latest CBSE syllabus for Class 12 Engineering Drawing. You can easily download the PDF format and solve these questions every day to improve your marks. Our expert teachers have made these from the most important topics that are always asked in your exams to help you get more marks in exams.

NCERT Based Questions and Solutions for Assembly Drawing

Our expert team has used the official NCERT book for Class 12 Engineering Drawing to create this practice material for students. After solving the questions our teachers have also suggested to study the NCERT solutions  which will help you to understand the best way to solve problems in Engineering Drawing. You can get all this study material for free on studiestoday.com.

Extra Practice for Engineering Drawing

To get the best results in Class 12, students should try the Engineering Drawing MCQ Test for this chapter. We have also provided printable assignments for Class 12 Engineering Drawing on our website. Regular practice will help you feel more confident and get higher marks in CBSE examinations.

FAQs

Where can I download the latest PDF for CBSE Class 12 Engineering Graphics Assembly Drawing Worksheet Set 02?

You can download the teacher-verified PDF for CBSE Class 12 Engineering Graphics Assembly Drawing Worksheet Set 02 from StudiesToday.com. These practice sheets for Class 12 Engineering Drawing are designed as per the latest CBSE academic session.

Are these Engineering Drawing Class 12 worksheets based on the 2026-27 competency-based pattern?

Yes, our CBSE Class 12 Engineering Graphics Assembly Drawing Worksheet Set 02 includes a variety of questions like Case-based studies, Assertion-Reasoning, and MCQs as per the 50% competency-based weightage in the latest curriculum for Class 12.

Do you provide solved answers for CBSE Class 12 Engineering Graphics Assembly Drawing Worksheet Set 02?

Yes, we have provided detailed solutions for CBSE Class 12 Engineering Graphics Assembly Drawing Worksheet Set 02 to help Class 12 and follow the official CBSE marking scheme.

How does solving CBSE Class 12 Engineering Graphics Assembly Drawing Worksheet Set 02 help in exam preparation?

Daily practice with these Engineering Drawing worksheets helps in identifying understanding gaps. It also improves question solving speed and ensures that Class 12 students get more marks in CBSE exams.

Is there any charge for the Class 12 Engineering Drawing practice test papers?

All our Class 12 Engineering Drawing practice test papers and worksheets are available for free download in mobile-friendly PDF format. You can access CBSE Class 12 Engineering Graphics Assembly Drawing Worksheet Set 02 without any registration.