CBSE Class 11 Physics Newton laws of Motion Objective Questions

Read and download the CBSE Class 11 Physics Newton laws of Motion Objective Questions. Designed for 2026-27, this advanced study material provides Class 11 Physics students with detailed revision notes, sure-shot questions, and detailed answers. Prepared by expert teachers and they follow the latest CBSE, NCERT, and KVS guidelines to ensure you get best scores.

Advanced Study Material for Class 11 Physics Newton laws of Motion

To achieve a high score in Physics, students must go beyond standard textbooks. This Class 11 Newton laws of Motion study material includes conceptual summaries and solved practice questions to improve you understanding.

Class 11 Physics Newton laws of Motion Notes and Questions

 

OBJECTIVES

1. A boy of mass 60 kg is holding a vertical rope. The rope can break when a mass of 75 kg is suspended from it. The maximum acceleration with which the boy can climb the rope without breaking it is
(a) 2.5 m/s2 (b) 5.0 m/s2 (c) 7.5 m/s2 (d) 22.5 m/s2

2. A pendulum with a bob of 0.1 kg is suspended from the roof of a car which is moving with an acceleration of 5 m/s2 relative to the ground towards right. An observer travelling in the car experiences a pseudo force acting on the bob equal to
(a) 1.0 Newton downwards (b) 1.0 Newton upwards (c) 0.5 Newton towards right (d) 0.5 Newton towards left

3. The mass of an elevator is 4000 kg. Starting from rest how much distance will it rise in 2 s, if the tension in the cable is 56 kN?
(a) 3 m (b) 4 m (c) 8 m (d) 16 m

4. The weights W and 2W are suspended from the ends of a light string passing over a smooth fixed pulley. If the pulley is pulled with an acceleration of 10 m/s2, the tension in the string will be
(a) W/3  (b) 2W/3   (c) 4W/3  (d) 8W/3

5. A pendulum having from the ceiling of a railway carriage makes an angle of 30º with the vertical when it is accelerating. The acceleration of the carriage in m/s2 is
(a) 10/√3 (b) 20/√3  (c) 5 √3 (d) 10 

6. Two masses of 5 kg and 10 kg are suspended from a fixed support as shown in the figure. The system is pulled downwards with a force of 150 N applied to the lower mass. The string attached to the support breaks and the system accelerates downwards. If the downward force continues to act, the acceleration of the system is

class_12_physics_useful_0134
(a) 5 m/s2 (b) 10 m/s(c) 20 m/s2 (d) 30 m/s

7. Two masses m and 3m are connected as shown in the figure. The tension in the string is3mm30º

class_12_physics_useful_0135
(a) 3mg/4  (b) 9mg/8  (c) mg (d) 2mg

8. A block of mass 1.0 kg rests on a wedge of angle θ. The acceleration which should be given to the wedge so that the block falls freely is

class_12_physics_useful_0136

(a) 10 m/s2 (b) 10 cos θ m/s2 (c) 10 cot θ m/s2 (d) 10 tan θ m/s2

9. Three equals weights A, B, C of mass 2 kg each are hanging on a string passing over a fixed frictionless pulley as shown in the figure. The tension in the string connecting weights B and C is
(a) 6.6 N (b) 13.3 N A B (c) 19.6 N (d) 26.6 N

class_12_physics_useful_0137

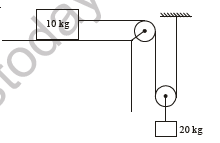
10. Two masses of 10 kg and 20 kg are connected with an inextensible string passing over two smooth pulleys as shown in the figure. The acceleration of 20 kg mass will be

class_12_physics_useful_0138
(a) 10/3 m/s2 (b) 20/3 m/s2  (c) 40/9 m/s 2 (d) 10 m/s2

11. The weights w1 and w2 are suspended from the ends of a light strig passing over a smooth fixed pulley. If the pulley is pulled up with an acceleration g, the tension in the string will be
(a)w1w2/w1+w2  (b)  2w1w2/w1+w2    (c) 4w1w2/w1+w2  (d)  w1w2/2(w1+w2)
12. Two blocks each of mass m are connected over two light and frictionless pulleys by a light string as shown in figure. The tension in the string is

class_12_physics_useful_0139
(a) 2 mg sin θ (b) 3/2 mg sin θ m θ m (c) 2mgsin θ/3  (d) mgsinθ/2

13. A pendulum is hanging from the ceiling of a railway carriage subtending an angle of 30º with the vertical direction. The acceleration of the carriage is
(a) g/√3 (b) 2g/√3  (c) g√3  (d) √3 g/2

 

CBSE Class 11 Physics Newton laws of Motion Study Material

Students can find all the important study material for Newton laws of Motion on this page. This collection includes detailed notes, Mind Maps for quick revision, and Sure Shot Questions that will come in your CBSE exams. This material has been strictly prepared on the latest 2026 syllabus for Class 11 Physics. Our expert teachers always suggest you to use these tools daily to make your learning easier and faster.

Newton laws of Motion Expert Notes & Solved Exam Questions

Our teachers have used the latest official NCERT book for Class 11 Physics to prepare these study material. We have included previous year examination questions and also step-by-step solutions to help you understand the marking scheme too. After reading the above chapter notes and solved questions also solve the practice problems and then compare your work with our NCERT solutions for Class 11 Physics.

Complete Revision for Physics

To get the best marks in your Class 11 exams you should use Physics Sample Papers along with these chapter notes. Daily practicing with our online MCQ Tests for Newton laws of Motion will also help you improve your speed and accuracy. All the study material provided on studiestoday.com is free and updated regularly to help Class 11 students stay ahead in their studies and feel confident during their school tests.

FAQs

What is included in the advanced study material for Class 11 Physics Chapter Newton laws of Motion?

Our advanced study package for Chapter Newton laws of Motion includes detailed concepts, diagrams, Mind Maps, and explanation of complex topics to ensure Class 11 students learn as per syllabus for 2026 exams.

How do Mind Maps for Physics Chapter Newton laws of Motion help in revision?

The Mind Maps provided for Chapter Newton laws of Motion act as visual anchors which will help faster recall during high-pressure exams.

Are these Physics resources suitable for both classroom teaching and self-study?

Yes, teachers use our Class 11 Physics resources for lesson planning as they are in simple language and have lot of solved examples.

Is this advanced study material for Chapter Newton laws of Motion free to download in PDF?

Yes, You can download the complete, mobile-friendly PDF of the Physics Chapter Newton laws of Motion advanced resources for free.

Does this material cover rationalized content for the 2026-27 CBSE session?

Yes, our subject matter experts have updated the Chapter Newton laws of Motion material to align with the rationalized NCERT textbooks and have removed deleted topics and added new competency-based questions.